原理圖概念
原理圖符號,本文主要是講如何將原理圖符號畫得通俗易懂?由原理圖延伸下去會涉及到PCB layout,也就是PCB布線,當然這種布線是基于原理圖來做成的,通過對原理圖的分析以及電路板其他條件的限制,設計者得以確定器件的位置以及電路板的層數等。
而反向研究領域則正好相反,泰斗科技、深圳智微科技等反向研究機構在幫助客戶進行反向研究的工作中,一般是先通過掃描,描線等方式將PCB文件完美克隆出來,將電路板上面的線路進行清晰準確的描繪,然后根據所描繪的腳位連接關系反推出電路板的原理圖從而對設計者的設計思路加以學習運用或者在沒有原始原理圖的情況下通過這種方式進行電路板的維修等工作。
原理圖的制作
對于原理圖的制作,不同的技術人員有自己的方法,這一點沒有一個統一的標準,你所習慣的或許你認為是最好的,但是別人不習慣的話就會覺得很爛。
無論是被用作在反向研究中分析線路板原理和產品工作特性這些產品本身的功能特征,還是被重新作為正向設計中的PCB設計基礎和依據來使用,PCB原理圖都有著其特殊的作用。最重要的,在產品的調試、維修及改進過程中起著不可或缺的作用。
原理圖符號大全及如何將原理圖符號畫得通俗易懂詳解
CAD軟件包含的上萬種符號只是你重新繪制它們的基礎。好的原理圖應該有可預測的信號流向。這個流向要求輸入部分位于左邊和上邊,輸出部分位于右邊和下邊。當然這并非鐵板一塊,但如果你希望其他工程師一眼就能理解你的原理圖,遵循這個規則就非常重要。如果我高聲對你喊叫,“區別什么有做這樣?”這種語法結構顯然讓人難懂,但如果我按從右到左的順序說,“這樣做有什么區別?”那么你馬上就能理解了。雖然許多半導體公司賺了很多錢,并提供很多支持,但很多時候他們專注于芯片內部,而做不到正確的原理圖流向(圖1)。

圖1:目前許多公司畫的原理圖符號模仿的是元件的引腳圖,而不是信號流向。圖1中的六反相器U1不是很實用。它將6個反相器合成在一個符號中,并且左邊和右邊都有輸入輸出。引腳長度也不需要那么長。U2這個符號稍微好一些,輸入都在左邊,輸出都在右邊。像我這樣一把年紀的人不喜歡彩色背景,因為經過六次黑白拷貝黃色會變成黑色,從而讓你無法看清任何東西。我創建的U3由不同元件組成(異構元件),包括6個相同的元件和表示電源與地的第7個元件。排阻RP1是非常愚蠢的畫法,當這些電阻應該處于原理圖上不同位置時很容易把原理圖弄得一團糟。RP2顯示了異構元件在這種時候的作用。
一些半導體公司采用ANSI符號畫邏輯器件,這顯然是由缺乏分析的線性思維的人發明的,而不是模擬工程師眼中的圖形化思維(圖2)。


圖2:許多工程師都不喜歡ANSI/IEEE邏輯符號畫法,這些符號簡直是非徒無益,而又害之。顯示實際的邏輯符號稍好一些。CAD軟件包中附帶的元件基本上是沒有用的。較好的做法是將元件一分為二。更好的做法是將電源獨立出來,這樣就不會弄亂信號流向。模擬工程師最想要的是在元件內部稍微畫一些能表示其功能的圖案。對于多元件封裝來說(比如許多邏輯門),原理圖符號需要分解開來,因為你很少會在原理圖的同一個地方使用全部這些元件。這個原則同樣適用于雙路或四路運放。元件符號可以采用德·摩根等效符號(圖3)。我非常敬佩那些能夠通過布爾表達式來理解電路工作的工程師,但我還是喜歡圖形化的表達方式——通過圖形可以想象位于D鎖存器中的比特,或者多路復用器中斷言給定輸入的引腳。

圖3:早在1995年,OrCAD 9就允許用德·摩根等效符號表示與非(NAND)門。Altium/CircuitStudio可以讓用戶給元件分配不同的“模式”完成相同的任務。如果你想畫一個“引腳上負下正”模式的運放符號就非常方便。若是沒有等效符號,如果你想垂直翻轉一個元件,也會把正電源放到下邊,把地放到上邊去。通過調用繪制的德·摩根等效符號,你可以交換輸入引腳,同時保持電源和地的位置不變。解決這個問題的另外一種方法是制作一個具有獨立電源的異構元件(U6)。現在你可以垂直翻轉運放,將負引腳放到上面來。某個年代的原理圖程序出現于這樣一個時期:PCB上大約有40個14引腳的邏輯芯片,每個芯片配一個去耦電容,再加上一個卡緣連接器。在1985年,DOS OrCAD甚至不能畫三角形。
這是那個年代的局限,也是那個年代需要擔心的事。當時許多公司覺得PCB上只有一個電源,即VCC(兩個“C”代表“公共集電極”,因為所有這些邏輯門都饋送電源給許多晶體管的集電極)。因此PCB只需要VCC和地。CAD公司的程序員甚至認為不需要在芯片上顯示電源引腳。他們只是發明了“零長度”引腳,然后版圖設計程序會將所有相同名字的引腳連接在一起。程序員認為工程師使用最后生成網絡表的原理圖簡直太蠢了。說到地,“公共端”或“回流端”其實更貼切,除非你的電路連接到墻上插座的大地引腳(圖4)。我承認這只是個人喜好,但我喜歡美國風格的電源和電阻符號,在晶體管和MOSFET上有個圓圈,且MOSFET清楚地指示了N溝道或P溝道類型。

圖4:地、電源、電阻、晶體管和MOSFET等各種元件符號。我碰到過一位教授,如果他看到你在汽車收音機原理圖上有大地符號,會給你不及格的判定。汽車底盤是一種不同的符號,不管Altium叫它大地,還是你在大多數PCB上使用的三角符號,都意味著公共端或回流端。我個人的喜好是使用箭頭代表電源,我也沒遇到過哪一位工程師喜歡R1和R2那樣歐洲畫法的電阻,甚至Altium里的可變電阻符號R3也沒有意義,除非它有三個腳,或者在封裝上把兩個腳短接在一起。我也喜歡晶體管上的圓圈、短引腳、字母N或P清晰地顯示MOSFET的類型,以及有助于顯示管子類型的柵極引腳,可以翻轉的P溝道類型,以便源極位于上面,因為更多的正電源也在上面。我很欣賞Altium/CircuitStudio顯示體二極管。
在現代設計中,電源和地引腳不可見帶來的問題是,當版圖封裝的電源連接錯誤時電路經常會燒掉。經常會燒。這是一個很嚴重的問題,因為你可能有多個帶電源的層,而重新做PCB甚至重新搭建原型是很困難的。基于這個理由,我們許多人會把電源引腳明確地畫出來。對于像四運放這樣的多元件封裝來說有三種方法來實現(圖5)。第一種方法是你可以將電源引腳畫在每個元件上。第二種方法是只將電源引腳畫在其中一個元件上,這時要確保將所有未用元件也都放到原理圖上。第三種方法是將四運放設計成由5個元件組成的異構封裝,包括4個獨立的運放和一個單獨的電源與地引腳元件。
這種方法的優點是你可以將電源與地元件和所有去耦電容放在一起。缺點是你可能忘了放電源與地元件,由此帶來的災難是器件沒有供電而不是接錯電源。一個技巧是將電源引腳作為封裝中的第一個元件,這樣當你放置這個元件時第一個放的就是電源。不管怎樣,你都應該將所有元件都放到原理圖中去,以便給未用元件合適的偏置,防止它們發生振蕩。

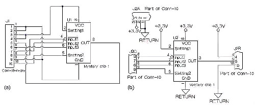
圖5:電源和地不要使用零長度的引腳。相反,最好在U1的每個元件上畫出電源引腳。你也可以只在封裝的某個元件上畫電源引腳,但要確保所有元件都被放置,這樣你就不會忘了連接電源(U2)。U3封裝則是使用了一個單獨的“元件”來畫電源和地。這樣做的優點是你可以翻轉運放,根據電路需要靈活地將負引腳放在正引腳的上面或下面。十幾年前Cadence的OrCAD中就有這些異構元件了,這種方法還可以將連接器分解成若干塊。這樣做同樣是為了保持原理圖的信號流向,確保每根線連接正確的連接器(圖6)。現在你可以確保你的原理圖流向是從左到右的,使得其他工程師理解起來更加容易,也能讓你在5年后再看時更加容易理解。

圖6:如果你將連接器只畫成一個元件符號,會使得原理圖很亂(a)。通過使用OrCAD中的異構元件功能,或Altium/CircuitStudio中的元件“模式”,你可以將連接器分解開來,以便原理圖的流向更清晰更容易理解(b)。另外一個考慮是如何將諸如開關電源芯片這樣的復雜元件畫清晰。即使你將輸入移到左邊,輸出移到右邊,仍然很難理解這種元件的工作原理。針對這種情況,你可以在符號框中畫一個簡單的圖,用來暗示這個元件的功能。不一定是數據手冊中的框圖,只需簡單的表述,以便提醒你和其他人這個元件是做什么的。還有其它一些原理圖符號的慣例,它們更多的是偏好,而不是好的設計原則。我很喜歡用圓圈將晶體管包圍起來。
需要重申的是,那些半導體工程師畫的晶體管才沒有圓圈。我認為圓圈非常有用。同樣,我很喜歡當走線發生交叉時做一個小的跳接。這就引出了另一個重要規則:沒有4向結點。我見過一個傳真過來的原理圖,怎么都看不出走線是否只是交叉而不是連接在一起。

圖7:需要注意的是,4向結點是原理圖中的禁忌。Altium/CircuitStudio有產生跳接的選項,也有通過設置走線偏移消除交叉結點的功能,比如這個芯片的GND連接處所示。注意,庫元件的左邊是輸出,右邊是輸入,與你想象的剛好相反。我的做法是使用輸入在左側的規則重畫元件符號(圖8)。我還使用了獨立的電源與地符號,以便減少雜亂現象,畢竟我們關心的是信號流向。大多數工程師理解555定時芯片內部的功能。但如果你不知道,或者你認為閱讀該原理圖的人不知道,那么你可以在元件內部畫上一些或所有框圖。Altium/CircuitStudio允許你在原理圖符號上放置圖片,因此我在網上找到一個很好的555定時器框圖,經過一些細微調整后我將它放進原理圖符號中。遵循它們的引腳輸出結構,因此原理圖上有些跳接(圖9)。

圖8:修改圖7中的555定時器,將輸入放在左邊,輸出放在右邊,這樣原理圖流向更清晰。單獨的電源與地符號消除了走線的雜亂現象。

圖9:你可以在元件內部畫一個框圖來展示它的功能。這可以像顯示一個集電極開路輸出一樣簡單,或者像顯示開關電源芯片內部功能一樣更復雜一些。一些CAD軟件包允許你將圖像粘貼到元件符號內。這里有個關鍵點。你可以用整個原理圖來表示元件內部功能,或者要是對元件內部功能不是很關心的話,可以想讓原理圖更簡捷。我的想法是適當在元件內畫一些內容,比如集電極開路輸出,但重要的是保持整個原理圖清晰有條理,人們看起來容易理解。好了,就剩最后一個模擬工程師的最愛了。在大學里,John Kuras經常開玩笑說功率晶體管應該用粗一點的線畫得大一點。當時我們都嗤之以鼻,但現在我確實喜歡用更大的符號顯示TO-3巨型封裝的晶體管(圖10)。成為模擬工程師就得接受重要性原則,而更大的晶體管更重要,而且畫起來更容易。

圖10:每個人都可以看出來,右邊的晶體管是一個功率晶體管。原理圖符號偏好就像是音樂偏好,它們非常個性化。這是你作為工程師的一種風格。像跳接和晶體管上的圓圈等事情不是很重要,而諸如輸入在左邊和上邊、輸出在右邊和下邊等事情則比較重要。
烜芯微專業制造二極管,三極管,MOS管,20年,工廠直銷省20%,1500家電路電器生產企業選用,專業的工程師幫您穩定好每一批產品,如果您有遇到什么需要幫助解決的,可以點擊右邊的工程師,或者點擊銷售經理給您精準的報價以及產品介紹
烜芯微專業制造二極管,三極管,MOS管,20年,工廠直銷省20%,1500家電路電器生產企業選用,專業的工程師幫您穩定好每一批產品,如果您有遇到什么需要幫助解決的,可以點擊右邊的工程師,或者點擊銷售經理給您精準的報價以及產品介紹

