自舉電路
自舉電路也叫升壓電路,是利用自舉升壓二極管,自舉升壓電容等電子元件,使電容放電電壓和電源電壓疊加,從而使電壓升高,有的電路升高的電壓能達到數倍電源電壓。
自舉電路原理
舉個簡單的例子:有一個12V的電路,電路中有一個場效應管需要15V的驅動電壓,這個電壓怎么弄出來?就是用自舉。通常用一個電容和一個二極管,電容存儲電荷,二極管防止電流倒灌,頻率較高的時候,自舉電路的電壓就是電路輸入的電壓加上電容上的電壓,起到升壓的作用。
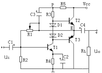
自舉電路只是在實踐中定的名稱,在理論上沒有這個概念。自舉電路主要是在甲乙類單電源互補對稱電路中使用較為普遍。甲乙類單電源互補對稱電路在理論上可以使輸出電壓Vo達到Vcc的一半,但在實際的測試中,輸出電壓遠達不到Vcc的一半。其中重要的原因就需要一個高于Vcc的電壓。所以采用自舉電路來升壓。
開關直流升壓電路(即所謂的boost或者step-up電路)原理
the boost converter,或者叫step-up converter,是一種開關直流升壓電路,它可以是輸出電壓比輸入電壓高?;倦娐穲D見圖21.
假定那個開關(三極管或者mos管)已經斷開了很長時間,所有的元件都處于理想狀態,電容電壓等于輸入電壓。下面要分充電和放電兩個部分來說明這個電路。

自舉電路應用
1、利用自舉電路提高電路增益
圖2、圖3所示的兩電路都是利用自舉電路提高電路增益的。先看圖2,圖中以T1為核心構成共射電路,以T2為核心構成的是射隨器,C3為自舉電容。該電路輸出電壓跟隨N點的電位變化而變化,通過C3的反饋將輸出電壓反饋到M點,使M點的電位也跟隨N點電位的電位變化而變化,實現自舉。

圖2
同理可分析圖3電路,圖6中T1、T2的作用與圖5相同,C3仍為自舉電容。該電路的輸出電壓跟隨M點的電位變化而變化,通過C3的反饋作用使N點的電位也跟隨M點電位變化而變化,實現自舉。自舉的結果使Re2兩端的電位很接近,因此流過Re2 的交流電流大大減少,相當于提高了Re2的交流等效阻抗,即提高了T1的集電極等效阻抗,從而使電路獲得較高的增益。不難分析圖3電路利用T2管產生自舉作用,不僅提高了電路的增益,而且也使電路的輸出電阻大大增加,所以適用于后級放大電路輸入阻抗較高的場合。

圖3
2.利用自舉電路解決交、直流參數設置
如圖4電路是一個利用自舉電路解決駐極體話筒與放大器的交、直流參數合理配置的例子。駐極體話筒由于具有音質好、輸出平坦、阻抗低而價格又便宜的特點,應用范圍已越來越廣泛了。但駐極體話簡工作時,要求提供一個直流偏置電流和偏置電壓。

圖4
市場上銷售的話筒參數的離散性較大,其偏置電壓一般在1.5V~10V之間,工作電流常在0.1mA~1mA。在電路設計時,其偏置電阻與電源之間有時較難協調,為滿足話筒對輸出阻抗的要求而將偏置電阻取大時,勢必要求Vcc要相應地提高,如果將偏置電阻取小些,雖然可以滿足對Vcc的要求,但話筒的輸出阻抗又難以匹配。
為解決這一問題可采用圖7電路,在這一電路中偏置電阻(R1+R2)僅取2kQ,所以電源電壓Vcc幾乎全部降在話筒上,為駐極體話筒提供較大的偏置電壓,滿足了話筒參數離散性的要求。只要電源電壓Vcc大于話簡工作電壓1V就能使它很好工作。為了滿足話筒對輸出阻抗的匹配的要求,該電路采用了自舉電路,C3為自舉電容,由于C3的存在,使R1電阻下端的電位跟隨R1.上端的電位變化而變化,即實現自舉。R1兩端的電位差值很小即意味著R1的等效阻抗被大大地提高了,從而實現與駐極體話簡輸出阻抗的良好匹配。此外,該電路具有一定的電壓增益,還可以減輕后級電路的負擔。
自舉電路如何把電壓逐一升高


+5V_ALWP電壓通過D32的1腳對C710、C722、C715、C719開始充電,充電完畢后電路狀態如上圖顯示(二極管壓降忽略不計)。
此時的+15V_ALWP,實際電壓為5V

1、由于電容的兩端電壓不能突變,此時C715兩端的電位為左邊5V,右邊10V(C715的電壓依然是10V-5V=5V),然后電流經過D35的2引腳,對C719電容充電,充電后C719的電壓升到10V。
2、在上述1發生的同時,Y輸出的第一次高電平5V也對C710充電。同樣電容兩端電壓不能突變,所以C710兩端的電位為左邊5V,右邊10V(C710的電壓依然是10V-5V=5V)。然后電流經過D32的2引腳對C732D電容充電(充電前C722的電壓為5V),充電后C722的電壓升到10V。
此時+15V_ALWP電壓為10V。

1、由于電容的兩端電壓不能突變,此時C715兩端的電位為左邊0V,右邊5V(C715的電壓依然是5V-0V=5V,保持5V電壓),當C715電壓為5V后,由于C722電壓10V>C715電壓5V,C722會對C715充電。充電后C715=C722=7.5V。此時C715電壓依然比C719電壓低。是由于D35的2引腳處的二極管反向截止,所以C719不能對C715充電,C719電壓保持在10V。
2、在上述1發生的同時,Y輸出的第一次低電平0V也改變了C710左端的電壓。同樣電容兩端電壓不能突變,所以C710兩端的電位為左邊0V,右邊5V(C710的電壓依然是5V-0V=5V)。此時C710電壓低,C722電壓高(7.5V)。但是由于D35的2引腳處的二極管反向截止,所以C722不能對C710充電。C722電壓保持在7.5V。
3、當Y再次輸出高電平時,C722又被充電到10V。當Y變為低電平是C722(10V)對C715(7.5V)充電。C715=8.75V。當Y再次輸出高電平時,此時C715兩端的電位為:左邊:5V,右邊:13.75V(5V+8.75V),C715對C719充電,C719電壓變為11.875V,C715由于對C719充電,電壓變為11.875V。此時+15V_ALWP電壓是11.875V。
4、經過數次高低電平變化后,C715兩端電壓慢慢升高,同時C715對C719充電,C719電壓也慢慢升高,最終C715會被充電到10V,不再升高。當Y引腳再次輸出高電平5V時,C715的電位為:左邊5V,右邊15V(10V+5V).最終+15V_ALWP電壓穩定在15V。
烜芯微專業制造二極管,三極管,MOS管,橋堆20年,工廠直銷省20%,1500家電路電器生產企業選用,專業的工程師幫您穩定好每一批產品,如果您有遇到什么需要幫助解決的,可以點擊右邊的工程師,或者點擊銷售經理給您精準的報價以及產品介紹
烜芯微專業制造二極管,三極管,MOS管,橋堆20年,工廠直銷省20%,1500家電路電器生產企業選用,專業的工程師幫您穩定好每一批產品,如果您有遇到什么需要幫助解決的,可以點擊右邊的工程師,或者點擊銷售經理給您精準的報價以及產品介紹

