大電流開關電路
低電壓大電流開關電路-電流設計
開關電源的設計
開關電源的基本結構主要由7部分組成:輸入整流濾波電路、高頻開關變換器電路、整流輸出電路、控制電路、保護電路、輔助電源以及顯示電路。
(一)主電路
該設計的主電路拓撲結構如圖1所示,輸入市網220 V電壓,通過RC濾波及整流橋整流、全橋逆變、高頻變壓器、輸出整流以實現AC/DC/AC/DC的變換過程,最終得到所需要的15 V直流穩壓電源。

(二)輸入濾波整流(AC/DC)
低電壓大電流的開關電源對高頻干擾信號以及上電瞬間的浪涌電流十分敏感,為了保證電路穩定工作,消除來自電網的各種干擾,輸入的220 V市電首先經RC濾波電路,對尖峰電壓進行抑制。高頻濾波后的電壓經整流電路整流,得到直流電壓。橋式整流電路后面的濾波電具有充放電作用,濾除整流后的交流成分。
(三)高頻開關變換器(DC/AC)
它是開關電源的重要部分,逆變電路采用全橋變換,由4個IGBT開關管組成橋的四臂,每個IGBT并聯1個高速功率二極管,其鉗位作用以減小開關管由導通轉換為截止時,變壓器產生的電壓尖峰,以保護開關管不被擊穿。IGBT,絕緣柵雙極型晶體管,既具有輸入阻抗高、速度快、熱穩定性好和驅動電路簡單的優點,又有通態電壓低、耐壓高的優點。開關管IGBT的柵極接收PWM信號,當門極加正壓,MOSFET內形成溝道,并為PNP晶體管提供基極電流,從而使IGBT導通。此時從P區注入到N區進行電導調制,減小N一的電阻值,使高耐壓的
IGBT也具有低的通態壓降。在門極上加負電壓時,MOSFET內的溝道消失。PNP晶體管的基極電流被切斷,IGBT關斷。T1、T4與,I2、 輪流高頻通斷,將直流電壓變成交流電壓,再經高頻隔離變壓器變成所需的隔離輸出交流電壓。此處的高頻變壓器采用鐵基鈮銅納米晶環形鐵芯高頻變壓器,這種變壓器具有損耗小、漏感低、體積小等特點。
(四)控制電路
控制電路是開關電源穩定工作的重要保證,選取UC3825作為控制芯片,它由振蕩器、PWM比較器、PWM鎖存器、輸出驅動器、限流比較器、過流比較器、基準電壓源、故障鎖存器、軟啟動電路、欠壓鎖定等組成。UC3825最高開關頻率可達到1 MHz,輸出脈沖最大傳輸延
遲時間為50 ns,具有軟啟動控制和欠壓鎖定等功能,應用UC3825的功能設計開關電源的控制電路,UC3825的2個脈沖輸出端為開關管IGBT提供PWM驅動信號,交替輸出脈沖。因此,每個輸出端輸出脈沖的頻率是振蕩器頻率的1/2,振蕩器的頻率為200 kHz,所以輸出PWM脈沖的頻率為100 kHz,輸出脈沖占空比在0% ~50%以內調整,為了避免橋臂短路,常設置死區時間,因此實際應用中一般達不到50% 。UC3825的4、6、11、14腳的波形如圖2所示,11、14腳波形經驅動電路輸出耦合至IGBT的柵極,控制IGBT的開通和關斷。開關管的驅動電路如圖3所示。

在實際應用中,IGBT的驅動電路對IGBT的工作好壞具有相當大的影響,因此,驅動電路要具有幾點要求:能提供合適的正反向電壓,保證管子可靠的開通和關斷;動態驅動能力強;信號傳輸基本無延時,提高工作速度;當出現異常情況時,IGBT能實現軟關斷,對管子進行過壓、過流保護。使用的驅動電路能夠提供+15 V和一15 V的正向和反向電壓,開通和關斷延時控制在1 s內,且具有過壓和短路保護,另外,具有故障軟關斷功能。
為了得到穩定的輸出,在輸出端進行實時采樣。如圖4所示,采樣電流流經采樣電阻會產生一個壓降,將該壓降作為反饋信號,輸入到電壓比較器,與給定的基準電壓進行比較,產生一個差值,通過誤差放大器比較放大后,輸出的差值信號和鋸齒波(或三角波)比較,從而改變輸出脈沖的寬度,當輸出大于

(五)保護電路
考慮到開關電源的特點和實際的電氣特性,為了使其能在惡劣環境以及突發故障情況下安全可靠地工作,在實際的制作中充分利用UC3825的特性,設計了電壓電流保護電路以及軟啟動保護等保護電路。軟啟動是通過軟啟動(SOFT、START)腳的外接電容實現的。接通電源后,軟啟動腳外接電容放電,該腳處于低電平,誤差放大器輸出低電平,開關電源無輸出電壓。當內部電流源給軟啟動腳外接電容充電時,誤差放大器輸出電壓逐漸升高,直到閉環調節功能開始工作,開關電源輸出電壓逐漸升高到額定值。
一旦限流(ILIM)腳的電平超過1.2 V,故=障鎖存器置位,輸出腳變為低電平;同時,軟啟動腳外接電容以250 txA的電流放電。在軟啟動電容放完電后,限流腳電平降到1.2 V以下時,故障鎖存器就不輸出脈沖。這時,故障鎖存器復位,芯片開始軟啟動過程。過流保護和過壓保護是在主電路中采樣輸入到保護電路中,對電源起到保護作用。保護電路如圖5、圖6所示。

在開關變換電路和高頻變壓器之間加上一個檢測電流的互感器,將檢測量輸入到UC3825的9腳限流端,當檢測到開關
電流達到上限電流時,上限電流比較器輸出為高電平,比較器的輸出就是上限電流觸發器的S端,當S為高電平時,觸發器輸出為高,即觸發器輸出連接的NPN管子基極變高,NPN管子導通,FB被拉低,從而保護電路的過流問題。
在主電路輸出端直接實時采樣電壓,與給定電壓比較后,把信號放大,經過隔離后輸入到UC3825的2腳,控制PWM信號的占空比,從而控制主電路輸出電壓的變化。過熱保護是通過檢驗系統中的熱繼電器通斷來具體實現的,當開關電源正常工作時,熱繼電器處于常通狀態,一旦溫度過熱,超過額定值,熱繼電器開關會斷開,通斷的信號會反饋到控制電路中,達到過熱保護的作用。

以太網接口則是實現將數據遠傳調度中心功能 。該設計采用的嵌入式微處理器是以ARM7TDMI為內核的一款16/32位RISC處理器S3C44BOX,該處理器通過提供全面的、通用的片上外設,減少了外圍的元器件配置,從而使系統成本大為降低。該系統采用杭州立宇泰公司的開發板設計,其主要結構如圖5所示。

大電流開關電路-電源電路圖大全
大電流開關電路-電源電路圖大全(一)
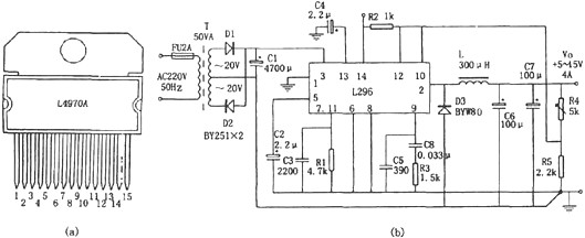
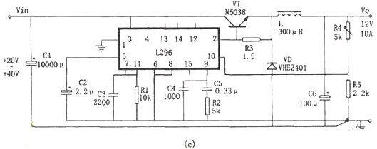
L296大電流開關電源芯片組成的穩壓電源電路圖
L296大電流開關電源芯片組成的穩壓電源電路圖如圖a、b、c所示為由L296單片大電流開關電源芯片組成的5~15V、4A穩壓電源。
L296單片大電流開關電源芯片特點是:
(1)保護功能完善。內設有軟啟動、過流、過熱、過壓保護。
(2)最大輸出電流為4A,功率為160W,輸出電壓在5.1~40V之間可調。
(3)設有特殊功能:工作禁止控制、同步控制(在幾片作多路輸出時,保證工作頻率一致)、重置電路(可提供電源工作狀態的檢測信號)、撬棍過壓保護電路(當輸出電壓超過預設額定電壓20%時,產生一個100mA的驅動信號,用來觸發外部保護電路動作)。如圖c所示為電流擴展電路形式。


大電流開關電路-電源電路圖大全(二)

大電流開關電路-電源電路圖大全(三)
電路如圖所示,該電路可以獲得更大的輸出功率,只需更改部分器件。圖中左邊的電路R1,L1,D1,C1至C7是常規的共模濾波和整流電路,獲取約300V的直流電壓供DC-DC變換電路使用;最右邊電路L5,C11等是普通的LC濾波電路;IC2,D8,R9,R10組成電壓反饋電路,形成閉環結構,穩定電源輸出電壓;中間部分是DC-DC變換器,降噪聲的關鍵是對這一部分的電路進行適當處理。

大電流開關電路-電源電路圖大全(四)
本文介紹一種型號為L4960的DC-DC變換的開關電源,如圖所示。從圖中可以看出電路十分簡單,它的使用方法與LM317非常相似,先使用50Hz電源變壓器進行AC-AC變換,將~220V降至~34V,然后由VD1和C1整流濾波為46V左右的直流電壓輸入給L4960,再由L4960進行DC-DC變換,這時輸出電壓的變化范圍下可調至5V,上調至40V,最大輸出電流可達2.5A(還可以接大功率開關管進行擴流),并且內設完善的保護功能,如過流保護、過熱保護等。
盡管L4960的使用方法與LM317差不多,但開關電源的L4960與線性電源的LM317相比,效率不可同曰而語,L4960最大可輸出100W的功率(Pmax=40V*2.5A=100W),但本身最多只消耗7W,所以散熱器很小,制作容易。與L4960類似的還有L296,其基本參數與L4960相同,只是最大輸出電流可高達4A,且具有更多的保護功能,封裝形式也不一樣。

大電流開關電路-電源電路圖大全(五)
所示為觸摸延時開關電源電路。手觸動觸摸片時,相當于給VT1基極一個觸發信號使之導通,于是VI2也導通,電源經VT2給電容器cz充電,當充電電壓足夠高時,VT2截止,VT3導通,VT4也隨之導通,燈泡發光、照明。當C2上的電荷慢慢放掉后vr3截止。VT4也截止使燈泡熄滅。

觸摸延時開關電源電路
大電流開關電路-電源電路圖大全(六)
開關電源電路圖原理圖如圖所示。雖然穩壓精度不高,但能滿足一般要求,且電路簡潔,采用常規元件,成本極低,輸出允許開路和短路。

開關電源電路圖
市電經D1整流及C1濾波后得到約300V的直流電壓加在變壓器的①腳(L1的上端),同時此電壓經R1給V1加上偏置后后使其微微導通,有電流流過L1,同時反饋線圈L2的上端(變壓器的③腳)形成正電壓,此電壓經C4、R3反饋給V1,使其更導通,乃至飽和,最后隨反饋電流的減小,V1迅速退出飽和并截止,如此循環形成振蕩,在次級線圈L3上感應出所需的輸出電壓。
L2是反饋線圈,同時也與D4、D3、C3一起組成穩壓電路。當線圈L3經D6整流后在C5上的電壓升高后,同時也表現為L2經D4整流后在C3負極上的電壓更低,當低至約為穩壓管D3(9V)的穩壓值時D3導通,使V1有基極短路到地,關斷V1,最終使輸出電壓降低。電路中R4、D5、V2組成過流保護電路。
當某些原因引起V1的工作電流大太時,R4上產生的電壓互感器經D5加至V2基極,V2導通,V1基極電壓下降,使V1電流減小。D3的穩壓值理論為9V+0.5~0.7V,在實際應用時,若要改變輸出電壓,只要更換不同穩壓值的D3即可,穩壓值越小,輸出電壓越低,反之則越高。
烜芯微專業制造二極管,三極管,MOS管,橋堆20年,工廠直銷省20%,1500家電路電器生產企業選用,專業的工程師幫您穩定好每一批產品,如果您有遇到什么需要幫助解決的,可以點擊右邊的工程師,或者點擊銷售經理給您精準的報價以及產品介紹
烜芯微專業制造二極管,三極管,MOS管,橋堆20年,工廠直銷省20%,1500家電路電器生產企業選用,專業的工程師幫您穩定好每一批產品,如果您有遇到什么需要幫助解決的,可以點擊右邊的工程師,或者點擊銷售經理給您精準的報價以及產品介紹

