KBPC3506W整流橋,KBPC3506W整流橋參數規格書
KBPC3506W整流橋,KBPC3506W封裝為KBPCW,KBPC3506W整流橋參數,KBPC3506W規格書
KBPC3506W整流橋,KBPC3506W封裝為KBPCW,KBPC3506W整流橋參數,KBPC3506W規格書

KBPC3506W整流橋參數規格書:點擊查看

KBPC3506W整流橋參數具體如下:
Maximum repetitive peak reverse voltage VRRM最大重復峰值反向電壓:600V
Maximum average forward rectified current IF(AV) 最大平均正向整流電流:35A
Maximum instantaneous forward voltage drop per diode IFM=17.5A VF 每個二極管的最大瞬時正向壓降:1.0V
Maximum DC reverse current at rated DC blocking voltage per diode VRM=VRRM 每個二極管在額定直流阻斷電壓下的最大直流反向電流:10uA
Operating temperature range TJ 工作溫度范圍:-65 to +150°C
storage temperature range TSTG 儲存溫度范圍:-65 to +150°C
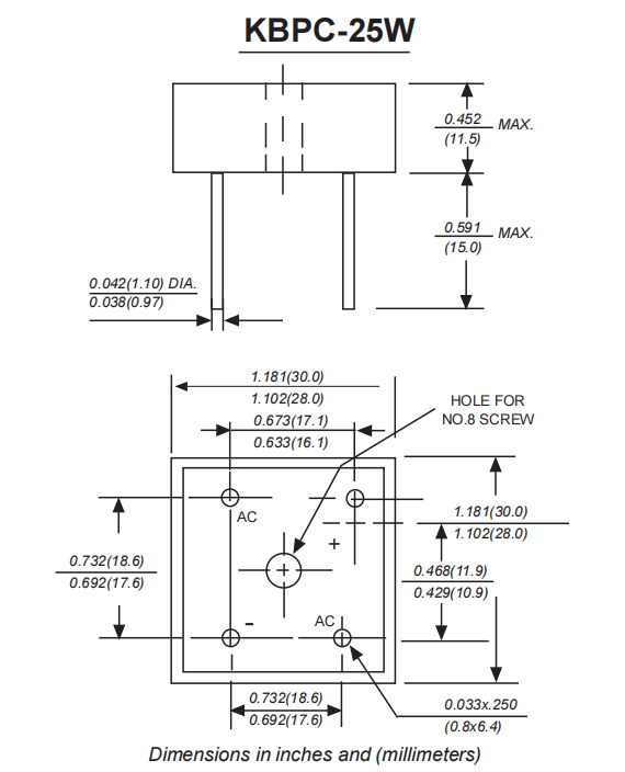
KBPC3506W整流橋堆封裝,KBPCW封裝尺寸:

〈烜芯微/XXW〉專業制造二極管,晶體三極管,MOS管,整流橋堆等,20年,工廠直銷省20%,上萬家電路電器生產企業選用,專業的工程師幫您穩定好每一批產品,如果您有遇到什么需要幫助解決的,可以直接聯系下方的聯系號碼或加QQ/微信,由我們的銷售經理給您精準的報價以及產品介紹
聯系號碼:18923864027(同微信)
QQ:709211280


