功率半導體的柵極電阻選型,一般有兩個優化目標。一方面,選擇電阻值較小的柵極電阻,可以使得功率半導體的開關速度更快。這將降低開關損耗,從而降低總體損耗。另一方面,選擇較大的柵極電阻可以降低開關速度,比如dvCE/dt或diC/dt。這可使柵極電路中發生的由寄生雜散電感或耦合電容引起的振蕩減少。因此,必須通過折中的辦法實現門極電阻的最優化配置。然而,只需管理特定的工況點(如臨時過載或輕載條件)就已足夠。這些條件的開關速度比應用系統正常運行時更慢。
電機驅動在低負荷條件下運行是典型的輕載條件。由于來自二極管的換向電流很小所以流入IGBT的正向電流也很小,在對應的IGBT開通速度太快時,可能造成嚴重振蕩。如果正向電流能達到標稱電流[1]的25%或以上,則這些振蕩可以被大幅度地減弱甚至消除。
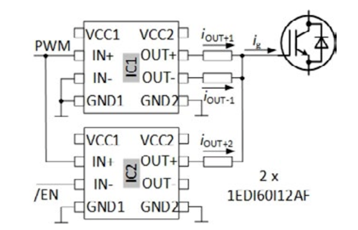
正常的柵極驅動電路如圖1所示。一個柵極驅動器的開通電流和關斷電流大小取決于柵極電阻的柵極電流。電流iOUT+給功率晶體管的柵極充電,而電流iOUT-給功率晶體管的柵極放電。

圖1. 使用單一芯片的常規柵極驅動器
圖2顯示了推薦的開通電流能力得以改進的柵極驅動概念。將型號為1EDI60I12AF的兩個柵極驅動器并聯。兩個IN+并接被用于常規PWM輸入信號。柵極驅動芯片IC2的端子IN-被用于是否選擇芯片IC2一起參與輸出。該信號可由應用控制簡單生成,也能用與開關性能有關的傳感信號來控制,比如自溫度或集電極電流。啟用IC2芯片可以給柵極電流ig注入另一個分量iOUT+2從而一起參與開通過程。

圖2. 提議的柵極驅動設計
如圖2所示,只有驅動芯片IC1可以用于關斷。不然可能出現IC1在輸出電流而IC2在吸收電流的情況,這會導致芯片中或相關柵極電阻中出現過度的功率損耗。
柵極電流ig(t)的時間控制如圖3所示。如圖3中上圖所示,在低負荷條件下,用于導通和關斷的柵極電流只能由芯片IC1提供。導通性能可以根據個別應用需求或設計準則(比如驅動系統中的最大dvCE/dt)進行調整[3]。參見圖2可知,可以通過對IC2的IN-端施加低電平信號,來實現高負荷運行和低負荷運行之間的切換。它可激活IC2的電流輸出端,從而實現更快速的開通。選擇IC2的OUT+端的附加導通柵極電阻值時,必須能使功率晶體管的導通性能再次滿足應用需求。

圖3. IC1和IC2的柵極電流時間控制
測量結果評估
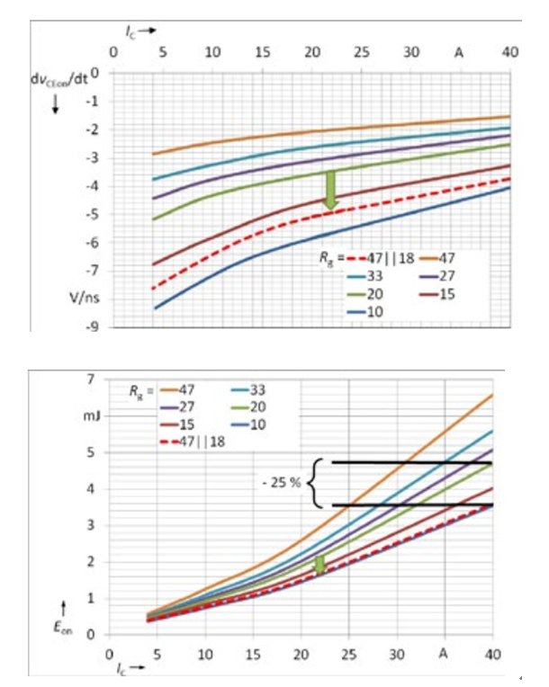
圖4所示為開通電流能力得以改進的柵極驅動概念下,不同柵極電阻和集電極電流IC的導通能耗Eon和dvCE/dt的雙脈沖試驗的結果。柵極電阻從10?到47?不等(常規解決方案對應的是實線),集電極電流位于標稱電流的10%到100%之間。通過軟件計算90%/10%之間的dvCE/dt值。測試功率晶體管為40A/1200V IGBT(IKW40N120T2)。

圖4. 提議的速率控制技術對開通的dvCEon/dt(上圖)和開關能耗Eon(下圖)的影響
電壓變化率dvCE/dt隨集電極電流上升而上升。兩個柵極驅動器各自的柵極電阻為Rg1=18?和Rg2=47?。應用推薦的柵極驅動技術可以在較小的集電極電流區間內使用柵極電阻Rg1。根據推測,圖4中與Rg=20?對應的綠線將取得與Rg=18?類似的結果,但dvCE/dt會小一些。在標稱電流50%(IC=20A)以上,會切換到同時使用兩顆柵極驅動芯片并行運行的情況(此時Rg為Rg1與Rg2并聯的阻值13?)。
開通損耗如圖4中的下圖所示。使用本文推薦的柵極驅動時,標稱電流(IC=40A)下的開通損耗可從4.8mJ下降到3.6mJ。這相當于開通損耗Eon降低了25%左右。
〈烜芯微/XXW〉專業制造二極管,三極管,MOS管,橋堆等,20年,工廠直銷省20%,上萬家電路電器生產企業選用,專業的工程師幫您穩定好每一批產品,如果您有遇到什么需要幫助解決的,可以直接聯系下方的聯系號碼或加QQ/微信,由我們的銷售經理給您精準的報價以及產品介紹
聯系號碼:18923864027(同微信)
QQ:709211280

