MOS管驅動電路
常用的MOS管驅動電路結構如下所示:驅動信號經過圖騰柱放大后,經過一個驅動電阻Rg給mos管驅動。


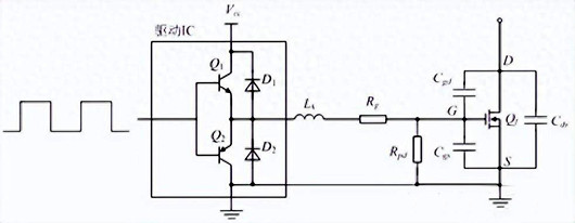
mos管驅動芯片
MOSFET驅動芯片如TC4420來驅動MOS管,這類的芯片一般有很大的瞬間輸出電流,而且還兼容TTL電平輸入,MOSFET驅動芯片的內部結構如下:


mos管驅動芯片選型
驅動芯片的存在主要是為了開通MOS管,為了提供MOS管開通所需要的電壓,需要自舉升壓電路,驅動芯片的意義正是自舉升壓相關的一些電路。
驅動芯片簡單而言就是把單片機產生的PWM波形進行放大輸入到MOS管的柵極G,從而達到開通關斷MOS管的目的。
下表列出了驅動芯片選型時需要關注的主要參數:


對于拉灌電流能力這一參數需要進一步解釋,從等效層面上講,MOS管的各極之間都存在寄生電容,MOS開通的過程就是對極間電容充電的過程,如圖所示為MOS管極間電容的示意圖,所謂灌電流就是將電流灌進G極使得MOS開通,拉電流就是將電荷從G極抽出使得MOS關斷,拉灌電流的力度決定了MOS開通的程度。


MOS管極間電容示意圖
對驅動芯片進行選型時, 需要格外注意將驅動芯片拉灌電流能力值與MOS管的參數相匹配,如果不匹配將會出現俗稱為“帶不動”的情況。
那么這一值具體應該怎么匹配呢?以IRLB4030和IR2101S為例進行計算:
這之中用到了MOS管的反向恢復電荷Qrr,IRLB4030的恢復電荷在125攝氏度時為130nC,我們取為150nC,假設電機控制PWM波的頻率為10KHz,即周期為100us,假設PWM電壓從零到最大值的階躍時間為1us,那么MOS管需要的電流值為:
I=Q/T&=150nC/1us=150mA
那也就是說驅動芯片拉灌電流值應該至少達到150mA才能帶的動IRLB4030,IR2101S的拉灌電流值在130mA到270mA之間,基本符合條件,因此這兩款驅動芯片和MOS管的匹配使用是合理的。
〈烜芯微/XXW〉專業制造二極管,三極管,MOS管,橋堆等,20年,工廠直銷省20%,上萬家電路電器生產企業選用,專業的工程師幫您穩定好每一批產品,如果您有遇到什么需要幫助解決的,可以直接聯系下方的聯系號碼或加QQ/微信,由我們的銷售經理給您精準的報價以及產品介紹
聯系號碼:18923864027(同微信)
QQ:709211280

