無線發射電路結構原理
在無線電遙控設備中常用的發射電路由高頻振蕩電路、中間放大級、高頻功率放大器及調制電路組成。對于不同場合的遙控設備,發射電路的組成是不同的,如在近距離對家用電器或玩具進行遙控,發射電路輸出的功率只要10~20mW就夠了,沒有必要有中間放大級及高頻功率放大器,調制電路直接對高頻振蕩電路進行調制發射即可。
無線發射電路圖一
1000米無線發射電路圖
早期的發射機較多使用LC振蕩器,頻率漂移較為嚴重。聲表器件的出現解決了這一問題,其頻率穩定性與晶振大體相同,而其基頻可達幾百兆甚至上千兆赫茲。無需倍頻,與晶振相比電路極其簡單。
以下兩個電路為常見的發射機電路,由于使用了聲表器件,電路工作非常穩定,即使手抓天線、聲表或電路其他部位,發射頻率均不會漂移。和圖一相比,圖二的發射功率更大一些??蛇_200米以上。




上圖為常見的發射機電路
盡管性能較差,然而其電路簡單容易實現,工作穩定,因此得到了廣泛的應用,在汽車、摩托車報警器,倉庫大門,以及家庭保安系統中,幾乎無一例外地使用了這樣的電路。
無線發射電路圖二
555構成的超聲波發射電路
從555的3腳輸出的40kHz的振蕩脈沖驅動T-40-16工作,使之發射出40kHz的超聲波信號。電路工作電壓為9V,工作電流為40~45mA,控制距離大于8m。


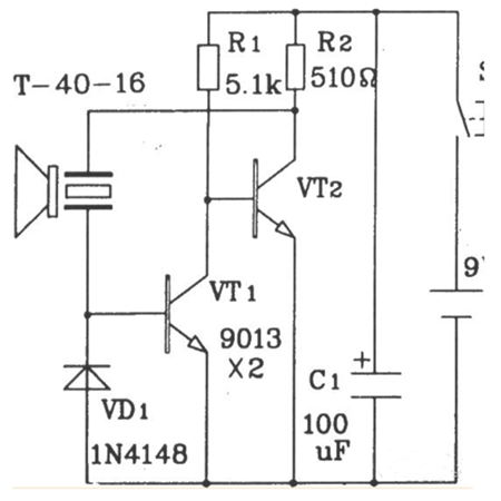
無線發射電路圖三
分立元件構成的超聲波發射電路


分立元件構成的超聲波發射電路T/R-40-16便可發射出一串40kHz的超聲波信號。此電路工作電壓9V,工作電流25mA,控制距離可達8m。
〈烜芯微/XXW〉專業制造二極管,三極管,MOS管,橋堆等,20年,工廠直銷省20%,上萬家電路電器生產企業選用,專業的工程師幫您穩定好每一批產品,如果您有遇到什么需要幫助解決的,可以直接聯系下方的聯系號碼或加QQ/微信,由我們的銷售經理給您精準的報價以及產品介紹
聯系號碼:18923864027(同微信)
QQ:709211280

