一、基本原理
DC-DC 變換器是一種運用開關電源技術,將輸入直流電壓轉換為不同數值直流輸出電壓的電子裝置。其核心在于通過開關器件的周期性通斷操作,精準控制能量的存儲與釋放過程,實現直流電壓的轉換功能。
二、工作原理
(一)儲能階段
當開關器件(如 MOSFET 或 IGBT)處于導通狀態時,輸入電源向電感或電容輸送能量。電感通過電流建立磁場儲存磁能,這一過程遵循電磁感應定律,能量以磁場形式暫存在電感中;而電容則利用其特性存儲電荷,將能量以電場形式進行暫存。
(二)釋能階段
開關器件關斷后,電感通過續流二極管向負載釋放能量,電容則開始放電,以此維持輸出電壓的穩定。此時,電感產生的反電動勢可能會出現兩種情況:一是與輸入電壓疊加,從而實現升壓功能;二是獨立供電,以達到降壓效果。
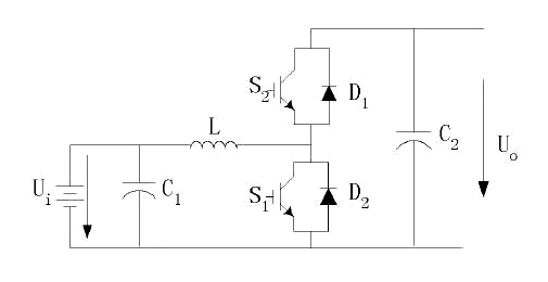
三、雙向 DC-DC 拓撲
(一)半橋結構的雙向 DC/DC 拓撲及工作模式
半橋結構的雙向 DC/DC 拓撲通常具有特定的結構形式,在一般應用中,低壓側可連接儲能電池或超級電容等,高壓側則可與 DC/AC 換流器或直流負載(如電機)相連。


當電池放電時,從輸入端 Ui 往輸出端 Uo 方向看,變換器工作在 boost(升壓)模式;反之,當給電池充電時,從輸出端 Uo 往輸入端 Ui 看,變換器則處于 buck(降壓)模式。
(二)雙向 DC-DC 電路
雙向 DC-DC 電路的本質是在保持輸入、輸出電壓極性不變的前提下,依據實際需求改變電流的方向,從而實現雙象限運行的雙向直流變換器功能。
通過調節 MOS 管的開斷動作,可以改變輸出電流的方向。巧妙運用輸入輸出端口,該電路既能實現降壓功能,也能實現升壓功能。其基本電路結構由兩個 MOS 管和兩個二極管組成,具體的電路結構圖如下圖所示

〈烜芯微/XXW〉專業制造二極管,三極管,MOS管,橋堆等,20年,工廠直銷省20%,上萬家電路電器生產企業選用,專業的工程師幫您穩定好每一批產品,如果您有遇到什么需要幫助解決的,可以直接聯系下方的聯系號碼或加QQ/微信,由我們的銷售經理給您精準的報價以及產品介紹

〈烜芯微/XXW〉專業制造二極管,三極管,MOS管,橋堆等,20年,工廠直銷省20%,上萬家電路電器生產企業選用,專業的工程師幫您穩定好每一批產品,如果您有遇到什么需要幫助解決的,可以直接聯系下方的聯系號碼或加QQ/微信,由我們的銷售經理給您精準的報價以及產品介紹
聯系號碼:18923864027(同微信)
QQ:709211280

